
Entegris provide various type of syringe filter for various applications.
Syringe filter are widely applicated in HPLC, UHPLC as particle removal to ensure accuracy and protect equipment.
Entegris syringe filter has broad chemical resistance with polypropylene housing, providing customized solutions to specific applications with a variety of filtration materials and pore size options.

Effectively captures metallic and organic contaminants for environmental monitoring XRF analysis.
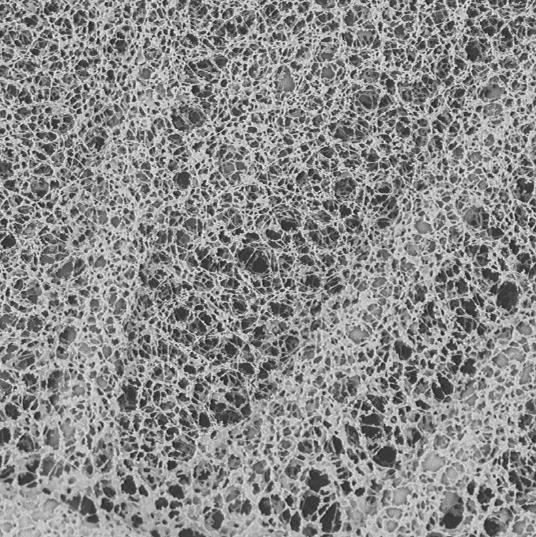
In response to the worldwide concern over toxic air pollutants and R&D efforts to study emissions and pollution sources, Entegris have developed PTFE filter tape specially designed for use in X-ray fluorescence (XRF) spectrometry to monitor metallic contaminants in an air stream. Contaminants are captured in the tape's porous membrane structure in preparation for element analysis.
This filter tape has extremely low metal content with efficient air flow capability and a retention rating of 99.7% with 0.3 μm particles. Entegris offer Type I and Type II tape to meet your specific needs for use in air monitoring stations and in monitoring equipment, respectively. Both types come in standard widths and lengths, with custom sizes available upon request.
Filtration Membranes

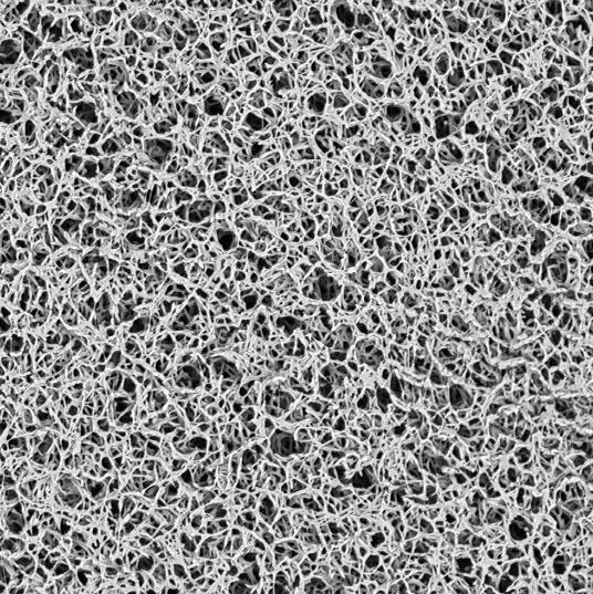
Entegris provide supported naturally hydrophilic MCE (Mixed Cellulose Esters) filtration membrane.
MCE Filtration Membrane is internally supported with an inert polyester support
web giving it added dimensional strength and stability that prevents cracking tearing,
curling and breaking when handled or creased.
Naturally hydrophilic membrane designed
to wet out evenly and does not require wetting
agents that can interfere with biological processes.

Entegris provide supported naturally hydrophilic Nylon filtration membrane.
Nylon Filtration Membrane is internally supported with an inert polyester support web giving it added dimensional strength and stability that prevents cracking tearing, curling and breaking.
Naturally hydrophilic membrane designed to wet out evenly and retain its superior strength during use in general filtration on medical assays, aggressive handling or automated equipment.
A naturally hydrophilic membrane does not require wetting agents that can interfere with biological processes.

Entegris provide supported naturally hydrophobic PVDF filtration membrane.
PVDF Filtration Membrane is internally supported with an inert polyester support web giving it added dimensional strength and stability that prevents cracking tearing, curling and breaking.
PVDF membrane is made from polyvinylidene fluoride with good chemical compatibility. It’s naturally hydrophobic and suitable for venting or gas/air filtration.
Copyright © ALCAPORT TRADE 2021